Каталог запасных частей к технике: Versatile серии GENESIS. 14A01 Капот и родственные элементы

14A01 Капот и родственные элементы

zoom-in zoom-out enlarge shrink circle-right circle-left file-text2 info cart
1
2
2
3
4
5
5
6
7
7
7
8
8
9
10
10
10
10
11
12
13
14
15
16
17
18
18
19
19
19
19
19
20
21
22
23
24
25
26
27
28
29
30
31
32
32
32
32
33
33
34
34
35
36
37
37
38
39
39
40
40
41
42
42
43
43
44
45
45
46
47
48
49
50
51
52
52
53
54
54
55
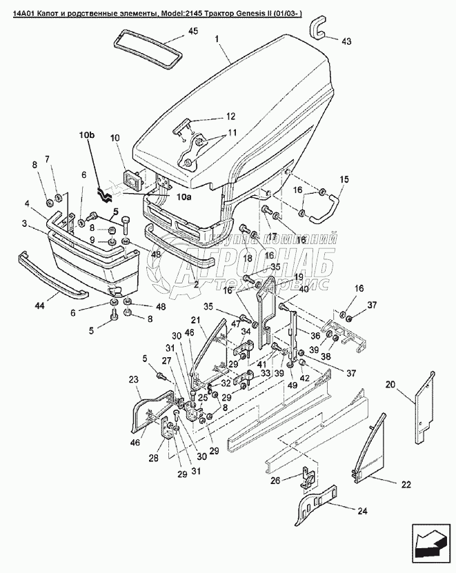
Изображение Артикул товара Наименование Наличие Единица измерения Количество Цена Корзина
1
86028054 Корпус верхний Под заказ -
2
86028064 Капот BVI L4WD Под заказ -
3
86012480 Нижнее уплотнение капота Под заказ -
4
86011593 Решетка капота Под заказ -
5
86011736 Решетка радиатора Под заказ -
6
86503043 Уплотнение 24W длина 1115 Под заказ -
7
120100 Болт M30x1.0x20 Cl-8.8 Под заказ -
8
140040 Шайба 6.96 x 22.00 x 2.00, сталь Под заказ -
9
213137 Шайба диам.внутр.0.266 наруж.1.00 толщина 1.25dm Pl, сталь Под заказ -
10
86514335 Контргайка с нейлоновой вставкой M6 класс 10 PL Под заказ -
11
9824259 Шайба диам.внут.6.62, наруж.12.0, толщина 1.6мм, сталь Под заказ -
12
9860044 Фонарь передний Под заказ -
13
86028097 Уплотнитель эмблемы Под заказ -
14
86027792 Эмблема BVI Под заказ -
15
9847773 Гайка М5 Под заказ -
16
9846306 Прицел Под заказ -
17
86501363 Ручка левая Под заказ -
18
86501364 Ручка правая Под заказ -
19
350240 Шайба диам.внутр.9.00 наруж.20.00 толщина 4.00мм, сталь Под заказ -
20
120106 Болт M8x40 8.8 PL Под заказ -
21
43128 Болт M8x1.25x30 CL8.8 Под заказ -
22
86028061 Задний щиток правой стороны Под заказ -
23
86028060 Задний щиток левой стороны Под заказ -
24
86028063 Боковина капота, правая задняя Под заказ -
25
86028062 Боковина капота, левая задняя Под заказ -
26
86028059 Основание капота правое Под заказ -
27
86028058 Основание капота левое Под заказ -
28
9860020 Кронштейн правый Под заказ -
29
86509015 Кронштейн левый Под заказ -
30
9841069 Фиксатор Под заказ -
31
86506661 Кронштейн Под заказ -
32
86505868 Гайка шестигранная USR M 8 PL Под заказ -
33
43138 Болт M10x1.5x20 Cl 8.8 Под заказ -
34
140045 Шайба стопорная BV M10 PL В наличии шт 46 ₽46 ₽
35
9860021 Фиксатор Под заказ -
36
9841530 Фиксатор левый Под заказ -
37
9841531 Фиксатор правый Под заказ -
38
86502054 Фиксатор левый Под заказ -
39
86502055 Фиксатор правый Под заказ -
40
9849829 Болт Cl-10.9 M8 x 1.25 x 8 Под заказ -
41
86013551 Кронштейн правый Под заказ -
42
9844557 Кронштейн левый Под заказ -
43
86629542 Контргайка М8х1.25 Под заказ -
44
337475 Гайка M12х1.75 Под заказ шт 48 ₽48 ₽
45
140046 Шайба стопорная M12 PL Под заказ -
46
9706687 Болт шестигранный M12 X 30 8.8PL Под заказ -
47
9706702 Болт M12x50 Cl-8.8 Под заказ -
48
9844558 Кольцо диам.наруж. 31.75 внутр.13.0 толщина 14.5 Под заказ -
49
86523239 Окантовка Под заказ -
50
86011603 Опора решетки Под заказ -
51
86011604 Решетка радиатора Под заказ -
52
9841568 Шпилька M8 X 15 PL, специальная Под заказ -
53
9841569 Болт Под заказ -
54
80701 Шайба 0.312x0.734x0.065 Pl, сталь Под заказ -
55
272464 Стопорное кольцо диам.0.38 Под заказ -
Содержащиеся в справочниках-каталогах запасные части и детали не предлагаются к продаже, а носят исключительно информационный характер


Наши преимущества