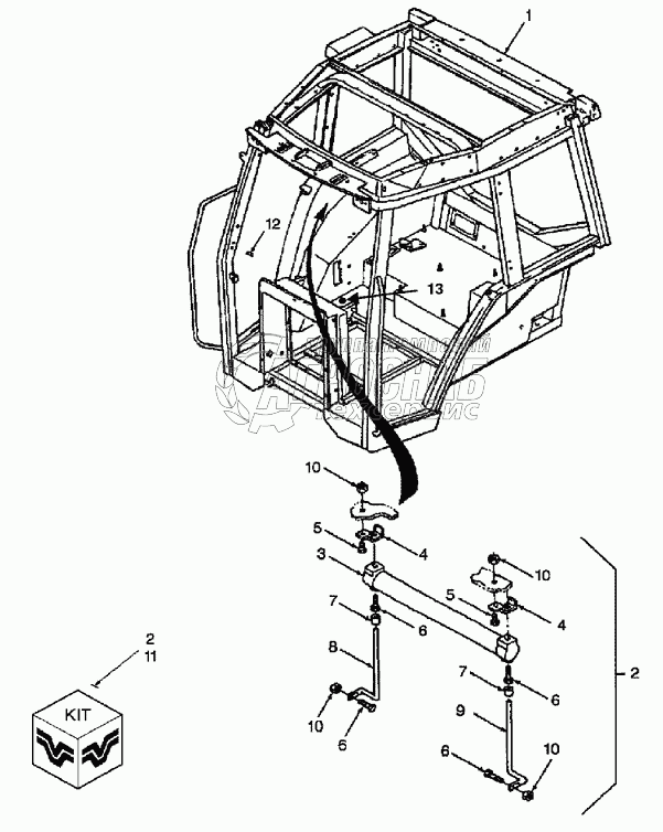
Каталог запасных частей к технике: Versatile серии GENESIS. 15A01 Каркас жесткости кабины

15A01 Каркас жесткости кабины

zoom-in zoom-out enlarge shrink circle-right circle-left file-text2 info cart
3
4
4
5
6
6
7
7
8
9
10
Изображение Артикул товара Наименование Наличие Единица измерения Количество Цена Корзина
1
86025415 Кабина в сборе Под заказ -
2
86025416 Кабина в сборе Под заказ -
3
86025411 Каркас кабины Под заказ -
4
86500295 Набор солнцезащитных козырьков Под заказ -
5
86507993 Солнцезащитный экран Под заказ -
6
86508781 Кронштейн солнцезащитного экрана Под заказ -
7
9828599 Болт M6X16 Под заказ -
8
86508154 Набор крепления солнцезащитного экрана Под заказ -
9
86512030 Фиксатор 0.312/0.322 Под заказ -
10
86031254 Втулка диам.13.5 Под заказ -
Содержащиеся в справочниках-каталогах запасные части и детали не предлагаются к продаже, а носят исключительно информационный характер


Наши преимущества