| № | Изображение | Артикул товара | Наименование | Наличие | Единица измерения | Количество | Цена | Корзина | |
|---|---|---|---|---|---|---|---|---|---|
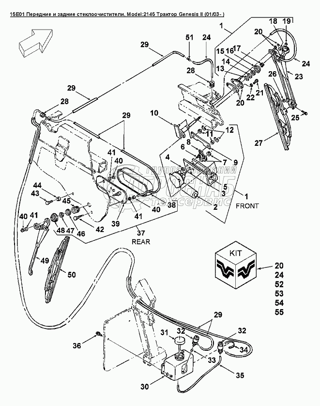
| 1 | 86013350 | Привод стеклоочистителя | Под заказ | - | |||||
| 2 | 9861035 | Стеклоочистители GENESIS | Под заказ | - | |||||
| 3 | 86509546 | Болт 1/4dm-28х1-1/2dm | Под заказ | - | |||||
| 4 | 80682 | Шайба 0.250PL | Под заказ | - | |||||
| 5 | 9861034 | Ручка дворника | Под заказ | - | |||||
| 6 | 9861038 | Комплект распылителей | Под заказ | - | |||||
| 7 | 9861036 | Накладка дворника, 24 дюйма | Под заказ | - | |||||
| 8 | 46288 | Втулка изолирующая | Под заказ | - | |||||
| 9 | 86500315 | Трубка | Под заказ | - | |||||
| 10 | 9844812 | Насос омывателя, 2 | Под заказ | - | |||||
| 11 | 86507475 | Крышка | Под заказ | - | |||||
| 12 | 86507198 | Насос омывателя | Под заказ | - | |||||
| 13 | 86507474 | Уплотнение | Под заказ | - | |||||
| 14 | 263117 | Соединительный трос, нейлон | Под заказ | - | |||||
| 15 | 9706487 | Рукав 4.60х500мм J1087 | Под заказ | - | |||||
| 16 | 9804258 | Болт M8x20 Cl-8.8 | Под заказ | - | |||||
| 17 | 86018082 | Привод стеклоочистителя задний | Под заказ | - | |||||
| 18 | 9861040 | Крышка стеклоочистителя | Под заказ | - | |||||
| 19 | 86018050 | Электродвигатель стеклоочистителя | Под заказ | - | |||||
| 20 | 9706690 | Гайка M8x1.25 | Под заказ | - | |||||
| 21 | 140160 | Шайба | Под заказ | - | |||||
| 22 | 9861042 | Рычаг щетки стеклоочистителя GENESIS | Под заказ | - | |||||
| 23 | 86011549 | Щетка заднего стеклоочистителя, 500мм | Под заказ | - | |||||
| 24 | 86500317 | Фитинг | Под заказ | - | |||||
| 25 | 9844811 | Насос омывателя, 1 | Под заказ | - | |||||
| 26 | 9844812 | Насос омывателя, 2 | Под заказ | - | |||||
| 27 | 86018083 | Набор дворников заднего окна | Под заказ | - | |||||
| 28 | 86507838 | Крепление заднего стеклоочистителя | Под заказ | - |