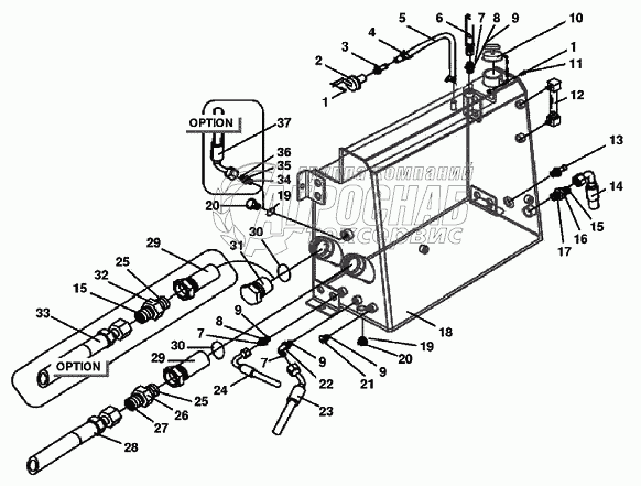
Каталог запасных частей к технике: Versatile серии HHT. 6HTC01 Схема подключения гидробака

6HTC01 Схема подключения гидробака

zoom-in zoom-out enlarge shrink circle-right circle-left file-text2 info cart
1
1
2
3
4
5
6
7
7
7
8
8
9
9
9
9
10
11
12
13
14
15
27
15
27
16
17
18
19
19
20
20
21
22
23
24
25
25
26
15
27
28
29
29
30
30
31
32
33
34
35
36
37
Изображение Артикул товара Наименование Наличие Единица измерения Количество Цена Корзина
1
9804255 Болт M6x16 Cl-8.8 Pl Под заказ -
2
9704438 Клапан Под заказ -
3
86010532 Шланговое соединение 5/8x1/2NPT Под заказ -
4
V21193 Хомут Под заказ -
5
86010608 Шланг высокого давления 5/8x900 Под заказ -
6
86032876 Рукав 1/2dmх400мм 100r1 Под заказ -
7
9992298 Кольцо уплотнительное 0.489 IDX0.070 THK BUNA Под заказ -
8
9992305 Штуцер 1-3/6orfsx3/4orb Под заказ -
9
128825 Кольцо уплотнительное 0.644 IDX0.087 THK BUNA Под заказ -
10
9705728 Колпачок патрубка наливного Под заказ -
11
86514335 Контргайка с нейлоновой вставкой M6 класс 10 PL Под заказ -
12
9705718 Стекло смотровое уровня масла Под заказ -
13
9824802 Датчик температуры двигателя и трансмиссии Под заказ -
14
86032870 Рукав 1dmх550мм 100r1 Под заказ -
15
9824050 Кольцо уплотнительное 0.926 IDX0.070 THK BU Под заказ -
16
9824055 Штуцер 1-7/16orfsx1-5/16orb Под заказ -
17
167268 Кольцо уплотнительное HYD/F 1.171IDx0.116TH Под заказ -
18
86031877 Гидробак HHP-L4wd Под заказ -
19
167266 Кольцо уплотнительное вн. O 0.924xтолщина 0.116 Под заказ -
20
163410 Пробка 1-1/16orb Под заказ -
21
214389 Пробка 7/8, 3/4dm 16unf-2A Под заказ -
22
86512032 Фитинг 45, 3/4orb 13/16ofs Под заказ -
23
86032832 Рукав 1/2dmх2125мм 100r1 Под заказ -
24
86032866 Рукав 1/2dmх3050мм 100r17 Под заказ -
25
570186 Кольцо уплотнительное 1.60 IDX1.88 THK NITR Под заказ -
26
9840325 Штуцер 1-11/16orfs 1-5/8orb Под заказ -
27
9824050 Кольцо уплотнительное 0.926 IDX0.070 THK BU Под заказ -
28
86032851 Рукав 1.25dmх2700мм 100r1 Под заказ -
29
86032678 Фильтр всасывающей линии гидробака Под заказ -
30
9846875 Кольцо уплотнительное 2.327 IDX0.114 THK BUNA Под заказ -
31
86033651 Пробка 32-Orb, 2-1/2x12 Unf-2A Под заказ -
32
86033262 Штуцер 1-7/16orfs 1-5/8orb Под заказ -
33
86033144 Рукав 3/4dmх2525мм 100r1 Под заказ -
34
NA Отсутствует спецификация для данного чертежа Под заказ -
35
86033233 Клапан гидравлический, 5-Psi, 1.188orfs 1.062orb 12un-2A Под заказ -
36
9991976 Кольцо уплотнительное 0.739 IDX0.070 THK BUNA Под заказ -
37
86033153 Рукав 3/4dmх1500мм 100r1 Под заказ -
Содержащиеся в справочниках-каталогах запасные части и детали не предлагаются к продаже, а носят исключительно информационный характер


Наши преимущества