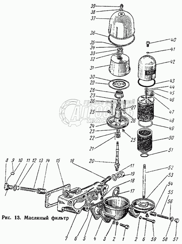
Каталог запасных частей к технике: ВгТЗ ДТ-75М. Масляный фильтр

Масляный фильтр

zoom-in zoom-out enlarge shrink circle-right circle-left file-text2 info cart
5
6
6
7
8
9
10
10
11
12
13
14
15
15
16
17
18
19
20
21
22
23
24
25
26
27
27
28
29
29
30
30
31
32
33
34
35
36
37
38
39
40
41
42
43
44
45
46
47
48
49
50
51
52
53
54
55
56
57
58
59
60
61
62
63
Изображение Артикул товара Наименование Наличие Единица измерения Количество Цена Корзина
1
01-10с5 Проставка в сборе Под заказ -
2
01-10с4-1 Корпус масляного фильтра в сборе Под заказ -
3
04-10с6 Ротор центробежного фильтра очистки масла со втулками в сборе Под заказ -
4
04-10с4 Ротор центробежного фильтра очистки масла в сборе Под заказ -
5
Болт М10Х30 кл. 2-015, ГОСТ 7796-62 Болт М10Х30 кл. 2-015, ГОСТ 7796-62 Под заказ -
6
Шайба пружинная 10Н 65Г, ГОСТ 6402-61 Шайба пружинная 10Н 65Г, ГОСТ 6402-61 Под заказ -
7
Шайба 11Х22Х2 Н495-66 Шайба 11Х22Х2 Н495-66 Под заказ -
8
01-1001-1 Корпус центробежного фильтра очистки масла Под заказ -
9
01-1005 Прокладка корпуса центробежного фильтра очистки масла Под заказ -
10
Пробка Ц18 КГ-1/4, ГОСТ 12720-67 Пробка Ц18 КГ-1/4, ГОСТ 12720-67 Под заказ -
11
01-1002 Проставка Под заказ -
12
04-1048 Пробка клапана Под заказ -
13
Проволока 01,2Х115, ГОСТ 3282-46 Проволока 01,2Х115, ГОСТ 3282-46 Под заказ -
14
Н-6502 Пломба 8Х10 Н504-66 Под заказ -
15
04-1049 Прокладка пробки Под заказ -
16
04-1050 Шайба Под заказ -
17
04-1046 Пружина сливного клапана Под заказ -
18
01-0961-1А Стакан предохранительного клапана Под заказ -
19
6Т2-1009 Прокладка Под заказ -
20
01-1015-1 Штуцер Под заказ -
21
01-1004 Прокладка корпуса масляного фильтра Под заказ -
22
01-1014 Штуцер ввертный Под заказ -
23
СМД1-1028 Пробка Под заказ -
24
04-1006 Ось ротора центробежного фильтра очистки масла Под заказ -
25
Шарикоподшипник 8103 ГОСТ 6874-54 Шарикоподшипник 8103 ГОСТ 6874-54 Под заказ -
26
04-1014 Кольцо стопорное Под заказ -
27
04-1007 Втулка ротора центробежного фильтра Под заказ -
28
04-10с7 Ротор центробежного фильтра очистки масла Под заказ -
29
04-1011 Сопло ротора Под заказ -
30
04-1009 Трубка ротора заборная Под заказ -
31
04-1040 Штифт Под заказ -
32
04-1008 Отражатель ротора Под заказ -
33
04-1013 Кольцо У-125Х120-2, ГОСТ 9833-61 Под заказ -
34
04-1010 Сетка заборных трубок Под заказ -
35
04-1012 Колпак ротора центробежного фильтра очистки масла Под заказ -
36
04-1015 Шайба Под заказ -
37
04-1002 Гайка Под заказ -
38
01-1032 Защелка Под заказ -
39
04-1033 Шайба упорная Под заказ -
40
04-1017 Прокладка колпака Под заказ -
41
04-1016 Колпак центробежного фильтра Под заказ -
42
04-1041 Шайба Под заказ -
43
04-1042-1 Гайка Под заказ -
44
04-1029 Гайка Под заказ -
45
04-1030 Прокладка Под заказ -
46
04-10с5-1 Колпак масляного фильтра в сборе Под заказ -
47
04-1028 Прокладка колпака Под заказ -
48
Шайба 15Х28Х3 Н495-66 Шайба 15Х28Х3 Н495-66 Под заказ -
49
04-1018 Пружина Под заказ -
50
01-1031 Шайба Под заказ -
51
СМД7-1066 Кольцо уплотняющее Под заказ -
52
04-10с8 Секция фильтра наружная в сборе Под заказ -
53
04-1003 Прокладка Под заказ -
54
04-10с10 Секция фильтра внутренняя в сборе Под заказ -
55
236-1003114-В Кольцо стакана форсунки уплотнительное В наличии шт 39 ₽39 ₽
56
01-1013 Шпилька Под заказ -
57
01-1003 Корпус масляного фильтра Под заказ -
58
01-1012-1 Клапан перепускной Под заказ -
59
01-0916А Пружина клапана Под заказ -
60
04-1037 Шайба Под заказ -
61
01-1011 Пробка клапана Под заказ -
62
04-1034 Прокладка пробки Под заказ -
63
Болт М10Х50 кл. 2-015, ГОСТ 7796-62 Болт М10Х50 кл. 2-015, ГОСТ 7796-62 Под заказ -
Содержащиеся в справочниках-каталогах запасные части и детали не предлагаются к продаже, а носят исключительно информационный характер


Наши преимущества