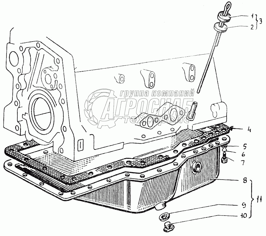
Каталог запасных частей к технике: ВгТЗ ДТ-75МВ. Крышка картера нижняя

Крышка картера нижняя

zoom-in zoom-out enlarge shrink circle-right circle-left file-text2 info cart
Изображение Артикул товара Наименование Наличие Единица измерения Количество Цена Корзина
1
01-08С4Б Масло измеритель Под заказ -
2
01-0811 Кольцо войлочное Под заказ -
3
01-08С3Б Маслоизмеритель в сборе Под заказ -
4
41-0802-1 Прокладка Под заказ -
5
01-0812 Кольцо опорное Под заказ -
6
8.65Г.05 Шайба ГОСТ 6402-70 Под заказ -
7
М8-6gх20.88.35.013 Болт ГОСТ 7796-70 Под заказ -
8
22х30 Кольцо Под заказ -
9
У5-0815-1А Пробка Под заказ -
10
41-08С2-1А Крышка в сборе Под заказ -
Содержащиеся в справочниках-каталогах запасные части и детали не предлагаются к продаже, а носят исключительно информационный характер


Наши преимущества