Каталог запасных частей к технике: ВгТЗ ДТ-75Н. Ходоуменьшитель

Ходоуменьшитель

zoom-in zoom-out enlarge shrink circle-right circle-left file-text2 info cart
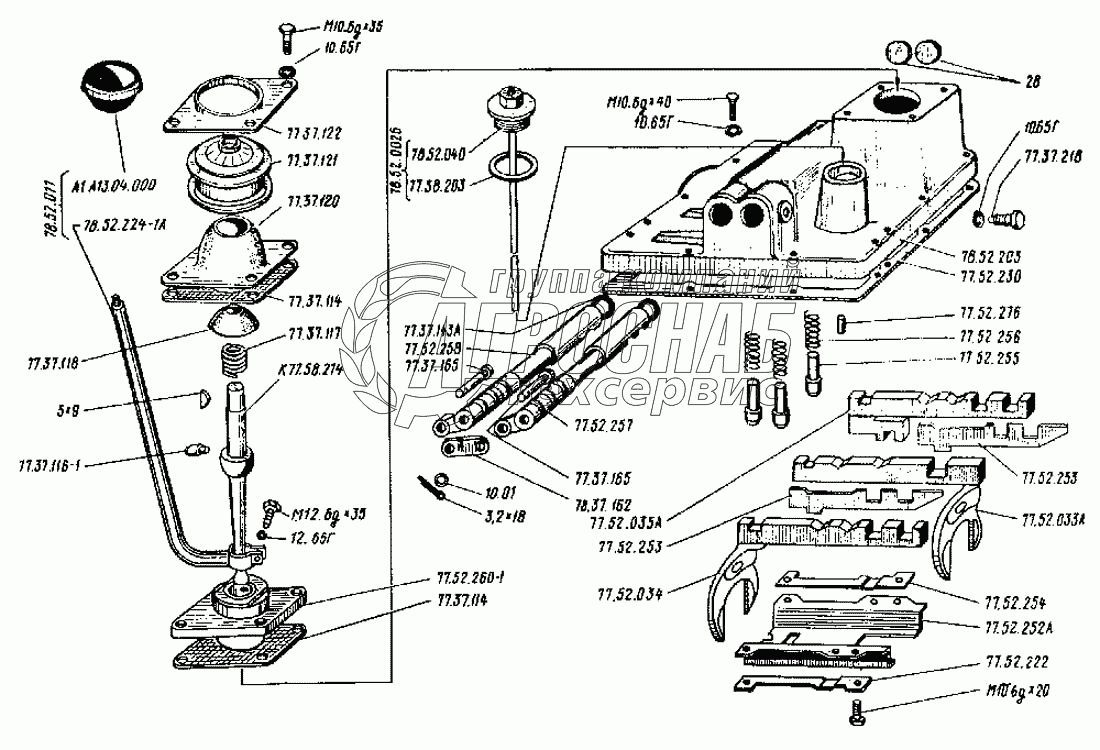
1
2
3
4
5
6
7
8
9
10
11
12
13
14
14
14
15
16
17
18
19
20
21
22
23
24
25
26
27
28
29
30
31
32
33
34
35
37
38
39
39
40
40
41
42
43
44
44
Изображение Артикул товара Наименование Наличие Единица измерения Количество Цена Корзина
1
78.52.002Б Ходоуменьшитель Под заказ -
2
77.38.203 Прокладка пробки Под заказ -
3
77.37.117 Пружина рычага Под заказ -
4
77.52.256 Пружина Под заказ -
5
А13.04.000А Рукоятка Под заказ -
6
78.52.011 Рычаг Под заказ -
7
К77.58.214 Рычаг Под заказ -
8
78.52.224-1А Рычаг Под заказ -
9
77.37.162 Серьга Под заказ -
10
77.52.255 Фиксатор Под заказ -
11
77.52.260-1 Фланец Под заказ -
12
77.52.230 Прокладка Под заказ -
13
77.37.121 Чехол Под заказ -
14
10.65Г Шайба ГОСТ 6402-70 Под заказ -
15
12.65Г Шайба ГОСТ 6402-70 Под заказ -
16
10.01 Шайба ГОСТ 11371-78 Под заказ -
17
77.37.118 Шайба сферическая Под заказ -
18
3.2х18 Шплинт Под заказ -
19
5х9 Шпонка сегментная Под заказ -
20
77.52.276 Штифт Под заказ -
21
77.37.116-1 Штифт рычага Под заказ -
22
78.52.040 Щуп Под заказ -
23
77.37.122 Кольцо прижимное Под заказ -
24
М10.6gх35 Болт Под заказ -
25
М10.6gх40 Болт Под заказ -
26
М12.6gх35 Болт Под заказ -
27
77.37.218 Болт стопорный Под заказ -
28
77.52.258 Валик задний Под заказ -
29
77.52.257 Валик передний Под заказ -
30
77.52.034 Вилка ведомого вала В наличии шт 1 426 ₽1 426 ₽
31
77.52.033А Вилка ведущего вала Под заказ -
32
28 Заглушка ГОСТ 3111-67 Под заказ -
33
77.37.120 Колпак Под заказ -
34
М10.6gх20 Болт Под заказ -
35
77.37.143А Кольцо уплотнительное Под заказ -
36
78.52.032 Крышка верхняя Под заказ -
37
78.52.203 Крышка верхняя Под заказ -
38
77.52.252А Обойма Под заказ -
39
77.37.165 Палец валика блокировки переднего Под заказ -
40
77.52.253 Планка разделительная Под заказ -
41
77.52.035А Планка переключения Под заказ -
42
77.52.222 Пластина замковая Под заказ -
43
77.52.254 Пластина замковая Под заказ -
44
77.37.114 Прокладка фланца Под заказ -
Содержащиеся в справочниках-каталогах запасные части и детали не предлагаются к продаже, а носят исключительно информационный характер


Наши преимущества