Каталог запасных частей к технике: ВгТЗ ДТ-75Н. Цилиндр выносной

Цилиндр выносной

zoom-in zoom-out enlarge shrink circle-right circle-left file-text2 info cart
2
3
4
5
8
9
10
10
11
12
13
13
14
15
16
17
18
19
20
21
22
22
23
24
25
25
26
26
27
28
29
30
32
33
34
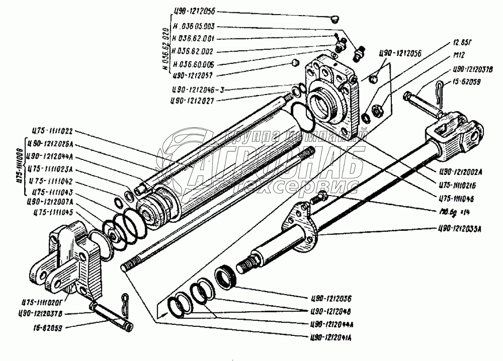
Изображение Артикул товара Наименование Наличие Единица измерения Количество Цена Корзина
1
6.65Г Шайба ГОСТ 6402-70 Под заказ -
2
Ц75-1111009 Поршень в сборе Под заказ -
3
Ц75-1111023А Поршень Под заказ -
4
Ц75-1111042 Прокладка Под заказ -
5
Ц90-1212048 Прокладка Под заказ -
6
Ц75-1111001-А Цилиндр в сборе Под заказ -
7
54.60.001А Цилиндр выносной Под заказ -
8
Ц90-1212036 Чистик Под заказ -
9
Ц90-1212027 Шайба Под заказ -
10
Ц90-1212037В Палец Под заказ -
11
12.65Г Шайба ГОСТ 6402-70 Под заказ -
12
Ц90-1212041А Шпилька Под заказ -
13
15-62059 Шплинт пружинный Под заказ -
14
Н.036.62.001 Штифт Под заказ -
15
Ц90-1212002-А Шток Под заказ -
16
Н.036.05.003 Штуцер ввертной Под заказ -
17
Н.036.60.006 Шайба клапана Под заказ -
18
Ц90-1212046-3 Кольцо уплотнительное Под заказ -
19
Ц90-1212007-А Гайка в сборе Под заказ -
20
М12 Гайка ГОСТ 5915-70 Под заказ -
21
Ц90-1212057 Заглушка 1/2 Под заказ -
22
Ц90-1212056 Заглушка 1/4 Под заказ -
23
Н.036.62.020 Клапан замедлительный Под заказ -
24
Ц75-1111043 Кольцо Под заказ -
25
Ц75-1111045 Кольцо Под заказ -
26
Ц90-1212044А Кольцо Под заказ -
27
М6.6gх14 Болт Под заказ -
28
Ц75-1111С22 Корпус Под заказ -
29
Н.036.62.002 Корпус замедлительного клапана Под заказ -
30
Ц75-1111020-Г Крышка задняя Под заказ -
31
Ц75-1111010-А Крышка передняя в сборе Под заказ -
32
Ц75-1111021-Б Крышка передняя Под заказ -
33
Ц90-1212035А Крышка чистиков Под заказ -
34
Ц90-1212026А Маслопровод Под заказ -
Содержащиеся в справочниках-каталогах запасные части и детали не предлагаются к продаже, а носят исключительно информационный характер


Наши преимущества