| № | Изображение | Артикул товара | Наименование | Наличие | Единица измерения | Количество | Цена | Корзина | |
|---|---|---|---|---|---|---|---|---|---|
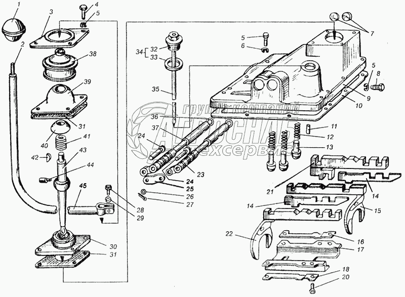
| 1 | А13.04.000-А | Рукоятка | Под заказ | - | |||||
| 2 | 78.52.011 | Рычаг | Под заказ | - | |||||
| 3 | 77.37.122 | Кольцо прижимное | Под заказ | - | |||||
| 4 | М10.6gх35.58.016 | Болт | Под заказ | - | |||||
| 5 | 10.65Г.05 | Шайба ГОСТ 6402-70 | Под заказ | - | |||||
| 6 | М10.6gх40.58.016 | Болт ГОСТ 7795-70 | Под заказ | - | |||||
| 7 | Заглушка ГОСТ 3111-67 | Заглушка ГОСТ 3111-67 | Под заказ | - | |||||
| 8 | 77.37.218 | Болт стопорный | Под заказ | - | |||||
| 9 | 78.52.203 | Крышка верхняя | Под заказ | - | |||||
| 10 | 77.52.230 | Прокладка | Под заказ | - | |||||
| 11 | 77.52.276 | Штифт | Под заказ | - | |||||
| 12 | 77.52.256 | Пружина | Под заказ | - | |||||
| 13 | 77.52.255 | Фиксатор | Под заказ | - | |||||
| 14 | 77.52.253 | Планка разделительная | Под заказ | - | |||||
| 15 | 77.52.033-А | Вилка ведущего вала | Под заказ | - | |||||
| 16 | 77.52.254 | Пластина замковая | Под заказ | - | |||||
| 17 | 77.52.252-А | Обойма | Под заказ | - | |||||
| 18 | 77.52.222 | Пластина замковая | Под заказ | - | |||||
| 19 | 78.52.032 | Крышка верхняя | Под заказ | - | |||||
| 20 | М10.6gх20.58.016 | Болт ГОСТ 7796-70 | Под заказ | - | |||||
| 21 | 77.52.035-А | Планка переключения | Под заказ | - | |||||
| 22 | 77.52.034 | Вилка ведомого вала | В наличии | шт | 1 426 ₽1 426 ₽ | ||||
| 23 | 77.52.257 | Валик передний | Под заказ | - | |||||
| 24 | 77.37.165 | Палец валика блокировки переднего | Под заказ | - | |||||
| 25 | 77.37.162 | Серьга | Под заказ | - | |||||
| 26 | 10.01 | Шайба ГОСТ 11371-78 | Под заказ | - | |||||
| 27 | Шплинт 3,2х18 ГОСТ 397-79 | Шплинт 3,2х18 ГОСТ 397-79 | Под заказ | - | |||||
| 28 | М12.6gх35.58.016 | Болт ГОСТ 7796-70 | Под заказ | - | |||||
| 29 | 12.65Г.05 | Шайба ГОСТ 6402-70 | Под заказ | - | |||||
| 30 | 77.52.260-1 | Фланец | Под заказ | - | |||||
| 31 | 77.37.114 | Прокладка фланца | Под заказ | - | |||||
| 32 | 77.38.203 | Прокладка пробки | Под заказ | - | |||||
| 33 | 78.52.002-Б | Ходоуменьшитель | Под заказ | - | |||||
| 34 | 78.52.040 | Щуп | Под заказ | - | |||||
| 35 | 77.37.143-А | Кольцо уплотнительное | Под заказ | - | |||||
| 36 | 77.52.258 | Валик задний | Под заказ | - | |||||
| 37 | 77.37.121 | Чехол | Под заказ | - | |||||
| 38 | 77.52.231 | Колпак | Под заказ | - | |||||
| 39 | 77.37.118 | Шайба сферическая | Под заказ | - | |||||
| 40 | 77.37.117 | Пружина рычага | Под заказ | - | |||||
| 41 | Шпонка 5х9 ГОСТ 24071-80 | Шпонка 5х9 ГОСТ 24071-80 | Под заказ | - | |||||
| 42 | К77.58.214 | Рычаг | Под заказ | - | |||||
| 43 | 77.37.116-1 | Штифт рычага | Под заказ | - | |||||
| 44 | 78.52.224-1А | Рычаг | Под заказ | - |