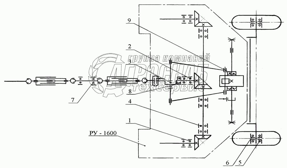
Каталог запасных частей к технике: Бобруйскагромаш РУ-3000. Схема расположения подшипников и манжет

Схема расположения подшипников и манжет

zoom-in zoom-out enlarge shrink circle-right circle-left file-text2 info cart
1
2
3
4
5
6
7
8
9
Изображение Артикул товара Наименование Наличие Единица измерения Количество Цена Корзина
1
180504 ГОСТ 8882-75 Подшипник Под заказ -
2
180508 ГОСТ 8882-75 Подшипник Под заказ -
3
180113 ГОСТ 8882-75 Подшипник Под заказ -
4
207 ГОСТ 8338-75 Подшипник Под заказ -
5
7509 ТУ 37.006.162-89 Подшипник Под заказ -
6
7511 ТУ 37.006.162-89 Подшипник Под заказ -
7
80205 ГОСТ 7242-81 Подшипник Под заказ -
8
1.1-55х80-4 ГОСТ 8752-79 Манжета Под заказ -
9
1.1-55х80-1 ГОСТ 8752-79 Манжета Под заказ -
Содержащиеся в справочниках-каталогах запасные части и детали не предлагаются к продаже, а носят исключительно информационный характер


Наши преимущества