Каталог запасных частей к технике: МТЗ Беларус-08Н (09Н). 05-2403. Дифференциал

05-2403. Дифференциал

zoom-in zoom-out enlarge shrink circle-right circle-left file-text2 info cart
2
2
3
3
4
5
6
7
8
9
9
10
11
12
12
13
13
14
15
16
17
Изображение Артикул товара Наименование Наличие Единица измерения Количество Цена Корзина
1
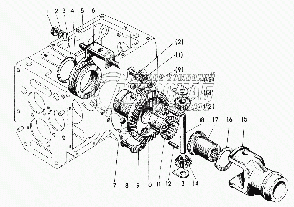
05-2403110 Дифференциал Под заказ -
2
52-2203013 Гайка Под заказ -
3
36-1104788 Прокладка Под заказ -
4
05-2409014 Поводок Под заказ -
5
05-2409012 Шпилька Под заказ -
6
05-2409015 Вилка Под заказ -
7
Шарик11,112-100 Шарик Под заказ -
8
БолтМ8-6gх20.88.35.019 Болт Под заказ -
9
05-2403124 Пластина стопорная Под заказ -
10
05-2403117 Колесо зубчатое Под заказ -
11
05-2403123-01 Шестерня полуоси Под заказ -
12
05-2403121 Шайба сателлита Под заказ -
13
05-2403118 Сателлит Под заказ -
14
05-2403116 Корпус дифференциала Под заказ -
15
05-2403122 Шайба Под заказ -
16
05-2403123 Шестерня полуоси Под заказ -
17
05-2403119 Ось сателлитов Под заказ -
Содержащиеся в справочниках-каталогах запасные части и детали не предлагаются к продаже, а носят исключительно информационный характер


Наши преимущества