| № | Изображение | Артикул товара | Наименование | Наличие | Единица измерения | Количество | Цена | Корзина | |
|---|---|---|---|---|---|---|---|---|---|
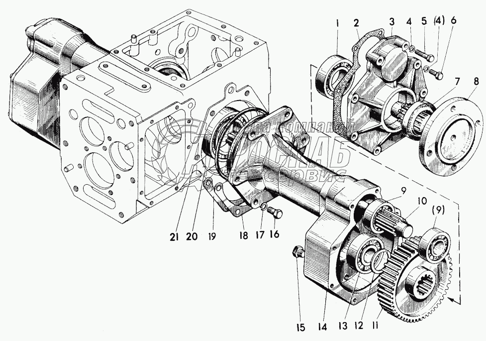
| 1 | 05-2407010 | Конечная передача | Под заказ | - | |||||
| 2 | 206 | Подшипник ГОСТ 8338-75 | Под заказ | - | |||||
| 3 | 05-2407056 | Прокладка | Под заказ | - | |||||
| 4 | 05-2407028 | Крышка | Под заказ | - | |||||
| 5 | Шайба8Т | Шайба 8Т | Под заказ | - | |||||
| 6 | БолтМ8-6gх35.88.35.019 | Болт | Под заказ | - | |||||
| 7 | БолтМ8-6gх25.88.35.019 | Болт | Под заказ | - | |||||
| 8 | 05-2407054 | Фланец | Под заказ | - | |||||
| 9 | 204 | Подшипник | Под заказ | - | |||||
| 10 | 05-2407152 | Вал | Под заказ | - | |||||
| 11 | 05-2407053 | Колесо зубчатое | Под заказ | - | |||||
| 12 | 2Б30 | Кольцо ГОСТ 13940-86 | Под заказ | - | |||||
| 13 | 304 | Подшипник | Под заказ | шт | 170 ₽170 ₽ | ||||
| 13 | 304 | Подшипник | Под заказ | шт | 0 ₽ | ||||
| 14 | 05-2407118 | Рукав | Под заказ | - | |||||
| 15 | ПробкаКГ1/8dm | Пробка КГ 1/8dm | Под заказ | - | |||||
| 16 | БолтМ10-6gх30.88.35.019 | Болт | Под заказ | - | |||||
| 17 | Шайба10Т | Шайба 10Т | Под заказ | - | |||||
| 18 | 05-2407058 | Прокладка | Под заказ | - | |||||
| 19 | 05-2407058-01 | Прокладка | Под заказ | - | |||||
| 20 | 110 | Подшипник ГОСТ 8338-75 | Под заказ | - |